16 Mar,2026
Tandwiel versus schoepen versus zuiger: welke industriële hydraulische pomp biedt de beste efficiëntie?


Motoren met hogedruk-, hogesnelheidsaandrijving en balanskleppen,
Het is ontworpen voor omstandigheden met hoge belasting
Het is de ideale oplossing voor een hydraulische graafmachine van 6 tot 50 ton
Efficiënt en compact ontwerp
Hogedruktechnologie verhoogt de efficiëntie van het hydraulische systeem
Motor met twee snelheden, geïntegreerd balansventiel en overdrukventiel
De motor integreert de functie van hydraulisch remmen
De snelheid kan op verzoek automatisch worden gewijzigd
Lage temperatuur, hoog rendement
Bedrijfstemperatuurbereik: -20 ° C ~ 80 ° C
Compact ontwerp
Hogedrukmotoren met lage cilinderinhoud verlengen de levensduur van belangrijke componenten en verbeteren het geheel
Duurzaamheid van het systeem
Geheel koperen voering voor hydraulische plunjerrotatie
Dubbele metalen (koper/staal) verdeelbak
De rotatiecombinatie met een speciaal veersysteem verlengt de levensduur van de motor
Het drievoudige afdichtingssysteem van het verloopstuk: mechanische labyrintafdichting, V-type oliekeerring, hoofdolieafdichting.
De hoofdoliekeerring kan worden vervangen zonder het verloopstuk te demonteren
De lagers van het verloopstuk zijn onafhankelijke componenten, eenvoudig te installeren en volledig af te stellen voor negatieve belastingen
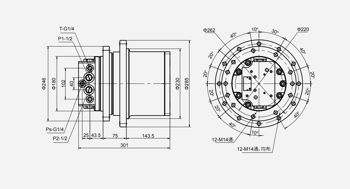
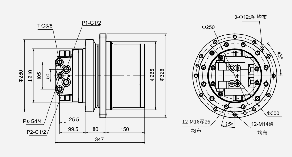
ITM01:
| Modaal | (l/min) | (ML/r) | (Mpa) | (Mpa) | Overbrengingsverhouding | (Nm) | (r/min) | Rotatie | (℃) | (mm2/s) |
| ITM01 | 20 | 6.31/12.56 | 25 | 2-7 | 36.96 | 1845 | 85,8/43 | bidirectioneel | -20- 80 | 16-25 |
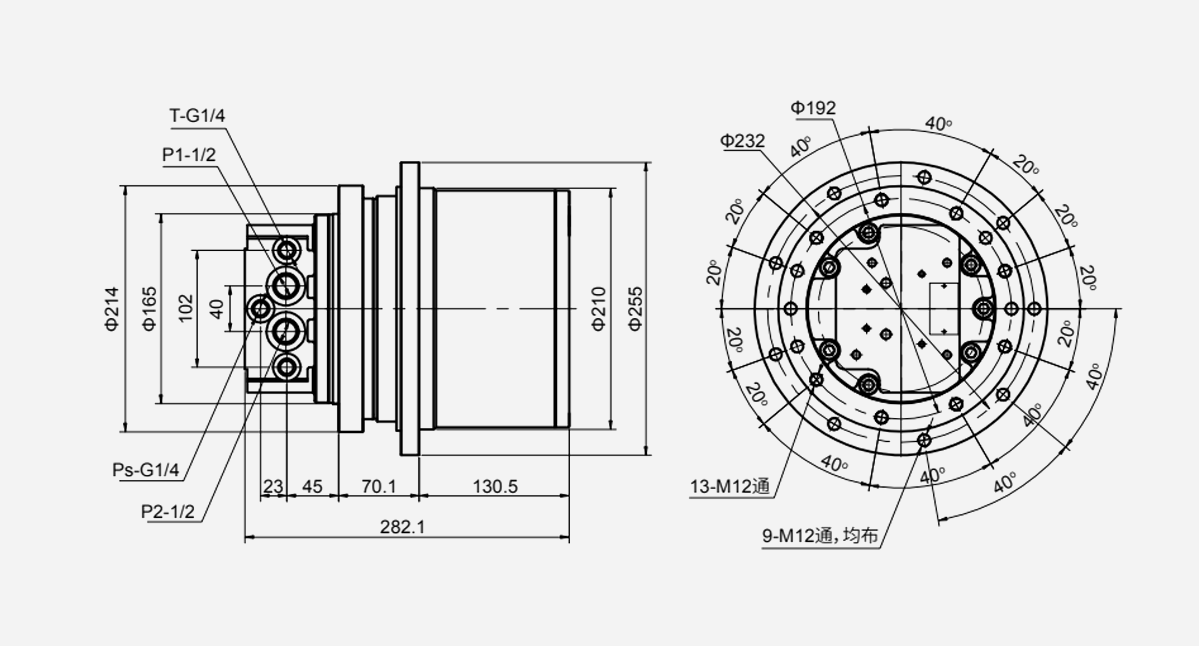
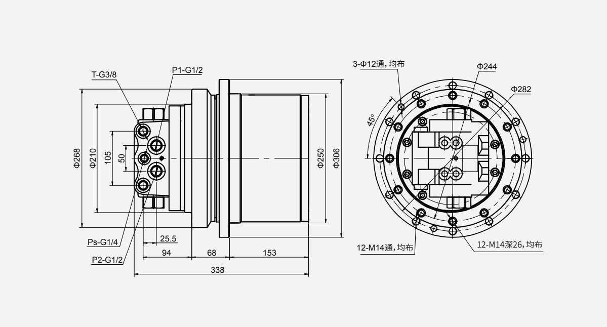
| Modaal | (l/min) | (ML/r) | (Mpa) | (Mpa) | Overbrengingsverhouding | (Nm) | (r/min) | Rotatie | (℃) | (mm2/s) |
| ITM03 | 40 | 12/18 | 21 | 2-7 | 45.2 | 2719 | 55/37 | bidirectioneel | -20- 80 | 16-25 |
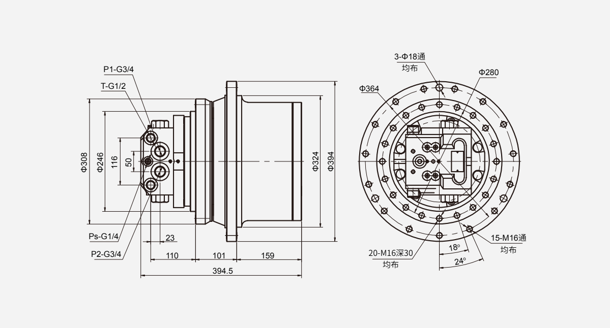
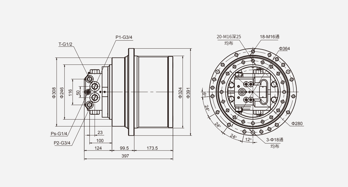
ITM04:
| Modaal | (l/min) | (ML/r) Motor | (Mpa) | (Mpa) | Overbrengingsverhouding | (Nm) | (r/min) | Rotatie | (℃) olie | (mm2/s) |
| ITM04 | 40 | 14,3/23,6 | 21 | 2-7 | 52.7 | 4200 | 55/33 | bidirectioneel | -20- 80 | 16-25 |
| Modaal | (l/min) Invoerstroom | (ML/r) | (Mpa) | (Mpa) | Overbrengingsverhouding | (Nm) | (r/min) | Rotatie | (℃) | (mm2/s) |
| ITM06 | 50 | 19/34 | 24.5 | 2-7 | 47.53 | 6300 | 55/30 | bidirectioneel | -20- 80 | 16-25 |
| Modaal | (l/min) Invoerstroom | (ML/r) | (Mpa) Werkdruk | (Mpa) | Overbrengingsverhouding | (Nm) | (r/min) | Rotatie | (℃)olie | (mm2/s) |
| ITM07 | 50 | 22/44 | 27.5 | 2-7 | 53.706 | 10500 | 50/25 | bidirectioneel | -20- 80 | 16-25 |
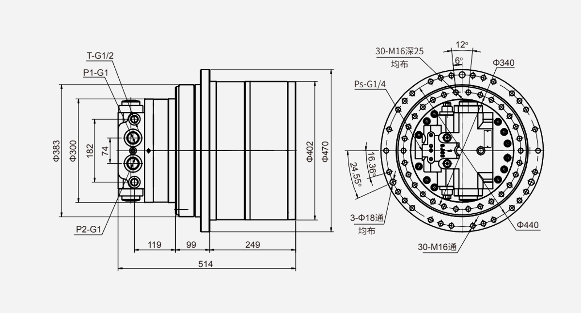
ITM09:
| Modaal | (l/min) | (ML/r) | (Mpa) | (Mpa) | Overbrengingsverhouding | (Nm) | (r/min) | Rotatie | (℃) | (mm2/s) |
| ITM09 | 80 | 34/53 | 30 | 2-7 | 53.7 | 11500 | 51/33 | bidirectioneel | -20- 80 | 16-25 |
| Modaal | (l/min) | (ML/r) | (Mpa) | (Mpa) | Overbrengingsverhouding | (Nm) | (r/min) | Rotatie | (℃) | (mm2/s) |
| ITM10 | 80 | 38/65 | 25 | 2-7 | 53.7 | 13000 | 51/33 | bidirectioneel | -20- 80 | 16-25 |
| Modaal | (l/min) | (ML/r) | (Mpa) | (Mpa) | Overbrengingsverhouding | (Nm) | (r/min) | Rotatie | (℃) | (mm2/s) |
| ITM18 | 130 | 43/67 | 30 | 2-7 | 53 | 16900 | 57/37 | bidirectioneel | -20- 80 | 16-25 |
| Modaal | (l/min) | (ML/r) | (Mpa) | (Mpa) | Overbrengingsverhouding | (Nm) | (r/min) | Rotatie | (℃) | (mm2/s) | Van toepassing modellen |
| ITM22 | 130 | 48/81 | 34.3 | 2-7 | 53.7 | 23700 | 50/30 | bidirectioneel | -20- 80 | 16-25 | 13-17 |
| Modaal | (l/min) | (ML/r) | (Mpa) | (Mpa) | Overbrengingsverhouding | (Nm) | (r/min) Theoretisch | Rotatie | (℃) | (mm2/s) |
| ITM40 | 230 | 99/147 | 34.3 | 2-7 | 50.5 | 40546 | 50/32 | bidirectioneel | -20- 80 | 16-25 |
| Modaal | (l/min) | (ML/r) | (Mpa) | (Mpa) | Overbrengingsverhouding | (Nm) | (r/min) | Rotatie | (℃) | (mm2/s) |
| ITM60 | 330 | 195/120 | 34.3 | 2-7 | 63.84 | 67000 | 40/26 | bidirectioneel | -20- 80 | 16-25 |
Producten van bekende bedrijven worden diep vertrouwd door gebruikers.
Jarenlange ervaring in de sector
Fabrieksgebied
Bekwame medewerkers
Geavanceerde productielijn
INI Hydraulic Co., Ltd. Al meer dan twintig jaar is gespecialiseerd in het ontwerpen en produceren van hydraulische lieren, hydraulische motoren en planetaire versnellingsbakken. Wij zijn een van de professionele leveranciers van accessoires voor bouwmachines in Azië. Aanpassen om de ingenieuze apparatuurontwerpen van klanten te optimaliseren is onze manier om stevig in leven te blijven in de markt. In de loop van 26 jaar, gedreven door de toewijding om altijd te innoveren om aan de behoeften van klanten te voldoen, hebben we een breed scala aan productlijnen ontwikkeld op basis van onze zelf ontwikkelde technologieën. Het brede productspectrum, elk nauw samenhangend, omvat hydraulische en elektrische lieren, planetaire versnellingsbakken, draaiaandrijvingen, transmissieaandrijvingen, hydraulische motoren, pompen en hydraulische systemen.
De betrouwbaarheid van onze producten is sterk bewezen in diverse toepassingen, waaronder niet-beperkende industriële machines, bouwmachines, scheeps- en dekmachines, offshore-apparatuur, mijnbouw- en metallurgische machines.
Bovendien is onze productkwaliteit goedgekeurd door meerdere wereldwijd gerenommeerde certificeringsinstanties. De certificeringen die onze producten hebben verkregen, omvatten het EC-Type Examination Certificate, BV MODE, DNV GL Certificate, EC Attestation of Conformity, Certificate of Type Approval for Marine Product en Lloyd's Register Quality Assurance. Tot nu toe hebben we, naast China, onze binnenlandse markt, onze producten op grote schaal geëxporteerd naar de Verenigde Staten, Duitsland, Nederland, Australië, Rusland, Turkije, Singapore, Japan, Zuid-Korea, Maleisië, Vietnam, India en Iran. Onze logistieke en after-salesdiensten bestrijken de hele wereld snel en betrouwbaar voor de diepe belangen van onze klanten.
16 Mar,2026
09 Mar,2026
02 Mar,2026
23 Feb,2026
16 Feb,2026
09 Feb,2026
TOP